Catigories
-
BV Decor Interior
-
Noel & Marquet
-
BV Decor Light
-
BV Decor Multifuncional
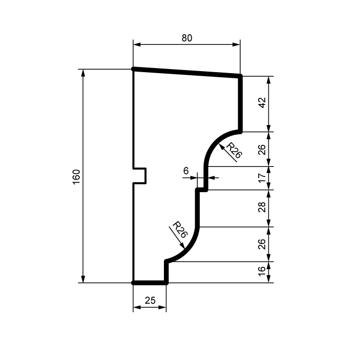
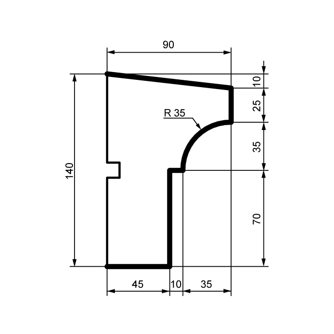
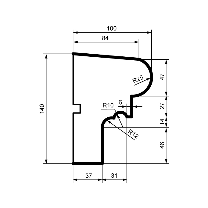
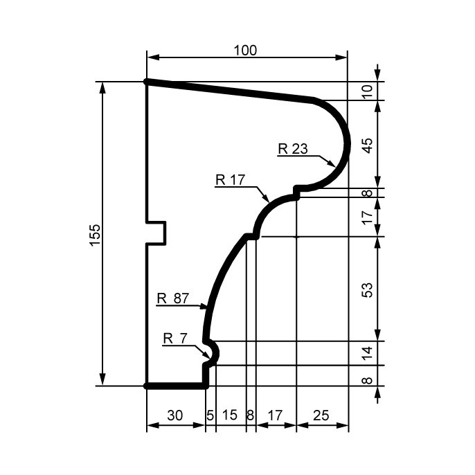
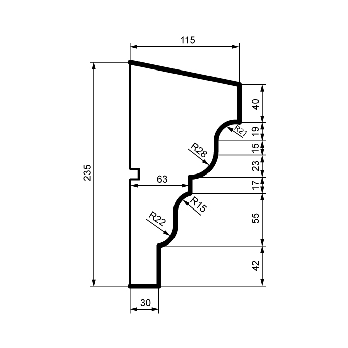
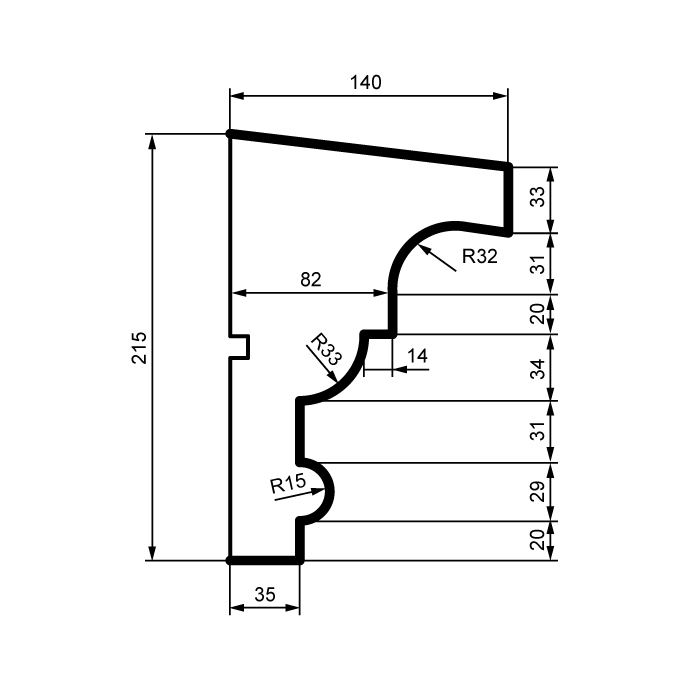
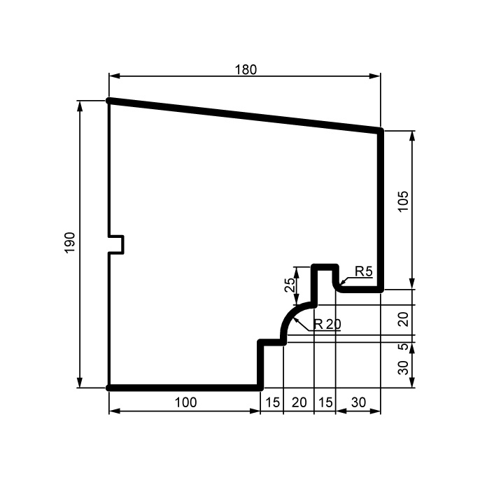
BV Decor Exterior / Rebord de fenêtre exterior
► Appuis de fenêtre extérieur | BV Decor - produits en polyuréthane. Meilleure gamme de produits de polyuréthane. Plus de 2000 produits. Fournisseur et fabricant de détails extérieurs en polyuréthane.





























